?
首页
公司介绍
新闻中心
组织机构
服务理念
售后服务
联系我们
产品中心
xwzx.png

安全阀

行业新闻

您的位置: > 新闻中心 > 行业新闻 >
管道汽水混合器(工作原理图)
来源:www.fm058.com作者:上海旺财28有限公司 更新时间:2023-03-17 09:03:02
今天我们来讲解(管道汽水混合器)工作原理以及及介绍图片,本篇文章主要讲解管道汽水混合器工作原理以及介绍图片。
上海凯利科阀门有限公司是〖 管道汽水混合器 〗的供应商,可提供管道汽水混合器结构图,管道汽水混合器外形尺寸图,管道汽水混合器型号,管道汽水混合器作用特点,管道汽水混合器工作原理

  上海凯利科阀门有限公司是〖管道汽水混合器〗的供应商,可提供管道汽水混合器结构图,管道汽水混合器外形尺寸图,管道汽水混合器型号,管道汽水混合器作用特点,管道汽水混合器工作原理,管道汽水混合器批发厂家,管道汽水混合器执行标准,欢迎新老客户来电,来函,我们将为您提供贴心的服务。以下就是关于管道汽水混合器说明书的详细概述:

  管道汽水混合器又名管道汽水混合器是一种装设于管道上直接式加热设备,具有热效率高、噪声低、安装简单、不占空间等特点,广泛应用于采暖、空调及生产工艺水加热系统。管道汽水混合器核心部件为拉法尔喷管,从喉口喷入的水流与从斜孔喷入的蒸汽充分混合后流出,生产热水。蒸汽和水在高速流动中混合,无噪音、无振动。

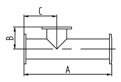
管道汽水混合器结构图

管道汽水混合器的外型尺寸

管道汽水混合器尺寸图

QSH -4 -6 -8 -10 -12 -16 -20 -24 -32 -40 -48 额定流量(m3/h) 1.2 2.5 4.5 7 10 16 25 35 60 105 165 设计压力(MPa) 1.6 1.6 1.6 1.6 1.6 1.6 1.6 1.6 1.6 1.6 1.6 净重(kg) 8 8 15 15 15 50 50 50 200 200 200 运行重量(kg) 8.5 8.5 16 16 16 58 58 58 260 260 260 噪声(dB) ≤65 ≤65 ≤65 ≤65 ≤65 ≤65 ≤65 ≤65 ≤65 ≤65 ≤65 A(mm) 240 240 360 360 360 660 660 660 1200 1200 1200 B(mm) 105 105 130 130 130 170 170 170 300 300 300 C(mm) 105 105 130 130 130 220 220 220 450 450 450 水侧法兰 DN40 DN40 DN65 DN65 DN65 DN125 DN125 DN125 DN250 DN250 DN250 汽侧法兰 DN40 DN40 DN65 DN65 DN65 DN125 DN125 DN125 DN250 DN250 DN250

管道汽水混合器的选型参考

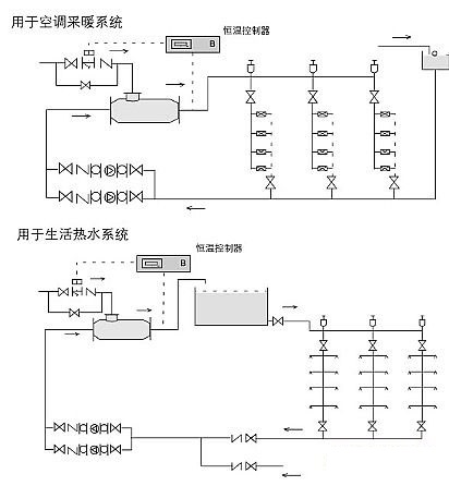
  管道汽水混合器可用于空调采暖、卫生热水的加热系统,根据实际水流量的蒸汽耗量选用加热器。

  1、管道汽水混合器未通入蒸汽时,额定流量下,水头损失为5mH2O,通入蒸汽后,水头损失可按1mH2O考虑;

  2、蒸汽压力大于水压0.05MPa以上;

  3、管道汽水混合器用于生活热水系统时应设置中间水箱,不能直接进入淋浴器,防止意外事故发生;

  4、管道汽水混合器适宜安装在水泵的吸水侧。

管道汽水混合器应用

管道汽水混合器的安装与使用说明书

  1.汽水混合加热器可水平安装,也可以竖直向上安装,蒸汽入口应向上或水平;

  2.管道汽水混合器前后装设阀门、压力表及温度计,以便于观察和调节加热器工作状况;

  3.管道汽水混合器启动时,应先通水,再通汽;停机时,先关断汽源,再断水。


高压球阀系列

高压闸阀系列

高压蝶阀系列

高压截止阀系列

高压止回阀系列

高压调节阀系列

高压电磁阀系列

高压安全阀系列

高压针型阀系列

高压疏水阀系列

高压减压阀系列

高压过滤器系列

您是第   位浏览者
?

Copyright ?2011-2022 上海旺财28有限公司,版权所有。 沪ICP备11046016号-29 网站地图

销售电话:021-31001158

手机号码:13816746668 陈国辉/经理

电子邮件:klkvalves@126.com@126.com

主营产品:球阀,闸阀,蝶阀,截止阀,止回阀,调节阀

本周热门:不锈钢阻火器全天候呼吸阀气动球阀气动蝶阀气动刀闸阀气动调节阀电动球阀电动蝶阀电动刀闸阀电动调节阀不锈钢球阀不锈钢闸阀不锈钢截止阀不锈钢止回阀不锈钢电磁阀高压电磁阀高压球阀波纹管截止阀

官方网址:www.fm058.com