?
首页
公司介绍
新闻中心
组织机构
服务理念
售后服务
联系我们
产品中心
jtgk.png

产品中心

BX43W沥青专用保温旋塞阀

您的位置:阀门 - 旋塞阀 - BX43W沥青专用保温旋塞阀 更新时间:2025-07-09 08:07:21
BX43W沥青专用保温旋塞阀
    • 质量安全:压力、材质、密封等全方位检测确保质量过关!
    • 价格比较:在相同品质的情况下,厂里直销,更具有优势!
    • 交货快捷:常规产品现货供应,生产加工销售一条龙服务!
      上海旺财28致力于高品质阀门的设计、研发、生产销售服务于一体的大型阀门企业,科技创新,永不止步,与您携手共创辉煌...

    • 产品描述
    • 在线询价
    • 技术咨询
    BX43W沥青专用保温旋塞阀BX43W沥青专用保温旋塞阀

    BX43W沥青专用保温旋塞阀主要用于沥青管路上,作为开启或关闭或切换作用。通过保温夹层加循环蒸汽、或热水、或导热油来保证沥青不结晶,从而保护沥青在管路上正常流动。广泛地应用于油田开采、输送和精练设备中,同时也广泛用于石油化工、化工、煤气、天然气、液化石油气、暖通行业以及一般工业中。

    产品名称: 沥青专用保温旋塞阀 产品型号: BX43W
    公称通径: DN50~DN200 结构形式: 圆柱形或圆锥形
    公称压力: 1.0MPa 连接方式: 法兰
    适用温度: -29ºC~+250ºC 驱动方式: 手动、电动
    阀体材质: 铸钢、不锈钢 制造标准: 国标GB、德国DIN、美国API、ANSI
    适用介质: 沥青、易凝固、易结晶等介质 生产厂家: 上海旺财28有限公司

    产品说明

    BX43W沥青专用保温旋塞阀主要用于沥青管路上,作为开启或关闭或切换作用。通过保温夹层加循环蒸汽、或热水、或导热油来保证沥青不结晶,从而保护沥青在管路上正常流动。广泛地应用于油田开采、输送和精练设备中,同时也广泛用于石油化工、化工、煤气、天然气、液化石油气、暖通行业以及一般工业中。

    工作原理

    它的阀塞的形状可成圆柱形或圆锥形。在圆柱形阀塞中,通道一般成矩形;而在锥形阀塞中,通道成梯形。这些形状使旋塞阀的结构变得轻巧。最适于作为切断和接通介质以及分流适用,但是依据适用的性质和密封面的耐冲蚀性,有时也可用于节流。

    产品特点

    1、旋塞阀用于经常操作,启闭迅速、轻便。
    2、旋塞阀流体阻力小。
    3、旋塞阀结构简单,相对体积小,重量轻,便于维修。
    4、密封性能好。
    5、不受安装方向的限制,介质的流向可任意。
    6、无振动,噪声小。

    性能规范

    型号 公称压力
    PN(MPa)
    试验压力PS(MPa) 适用介质 工作温度(℃)
    壳体 密封
    BX43W-1.6C 1.6 2.0 1.6 沥青及厚质油类 ≤425
    BX44W-1.6C 1.6 2.0 1.6

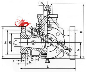
    外形结构图

     

    主要外形尺寸

    公称通径
    DN(mm)
    L D D1 D2 b F n-φd H S
    50 二通 250 160 125 100 18 3 4-φ18 250 30×30
    三通 250 160 125 100 18 3 4-φ18
    65 二通 300 180 145 120 20 3 4-φ18 280 40×40
    三通 300 180 145 120 20 3 4-φ18
    80 二通 300 195 160 135 20 3 8-φ18 320 45×45
    三通 300 195 160 135 20 3 8-φ18
    100 二通 325 215 180 155 22 3 8-φ18 350 52×52
    三通 325 215 180 155 22 3 8-φ18
    125 二通 350 245 210 185 22 3 8-φ18 405 62×62
    三通 350 245 210 185 22 3 8-φ18
    150 二通 400 280 240 210 24 3 8-φ23 - 68×68
    三通 400 280 240 210 24 3 8-φ23
    200 二通 450 335 295 265 26 3 12-φ23 - 75×75
    三通 450 335 295 265 26 3 12-φ23

    声明:【BX43W沥青专用保温旋塞阀】规格型号、结构尺寸由上海旺财28有限公司提供,如何选择适用的BX43W沥青专用保温旋塞阀产品,使之在工艺控制中安全可靠、经济适用,可致电我司销售部门及技术部门,我们将在最短的时间内为您解答!

    ?

    Copyright ?2011-2023 上海旺财28有限公司,版权所有。 沪ICP备11046016号-29 网站地图

    销售电话:021-31001158

    手机号码:13816746668 陈国辉/经理

    电子邮件:klkvalves@126.com@126.com

    主营产品:球阀,闸阀,蝶阀,截止阀,止回阀,调节阀

    本周热门:不锈钢阻火器全天候呼吸阀气动球阀气动蝶阀气动刀闸阀气动调节阀电动球阀电动蝶阀电动刀闸阀电动调节阀不锈钢球阀不锈钢闸阀不锈钢截止阀不锈钢止回阀不锈钢电磁阀高压电磁阀高压球阀波纹管截止阀

    官方网址:www.fm058.com