?
首页
公司介绍
新闻中心
组织机构
服务理念
售后服务
联系我们
产品中心
jtgk.png

产品中心

ZLF自力式控制阀

您的位置:阀门 - 水力控制阀 - ZLF自力式控制阀 更新时间:2025-07-09 08:07:49
ZLF自力式控制阀
    • 质量安全:压力、材质、密封等全方位检测确保质量过关!
    • 价格比较:在相同品质的情况下,厂里直销,更具有优势!
    • 交货快捷:常规产品现货供应,生产加工销售一条龙服务!
      上海旺财28致力于高品质阀门的设计、研发、生产销售服务于一体的大型阀门企业,科技创新,永不止步,与您携手共创辉煌...

    • 产品描述
    • 在线询价
    • 技术咨询
    ZLF自力式控制阀ZLF自力式控制阀

    ZLF自力式控制阀是一种利用介质本身的压力变化来进行自我调控,从而保持流经该被控系统流量不变的阀门,ZLF自力式控制阀具有流量指示,可在线调节,适用于供热及空调系统等非腐蚀性介质的流量控制。运行前一次性测试调节,可使系统流量自动恒定在预先设置的设定值。ZLF自力式控制阀流量调节准确,操作简单,运作平稳,性能可靠,使用寿命长。

    产品名称: 自力式控制阀 产品型号: ZLF
    公称通径: DN15~DN350 功能作用: 控制流量、控制压力
    公称压力: 1.6MPa 连接方式: 法兰式、内螺纹
    适用温度: -0ºC~+80ºC 驱动方式: 自力式
    阀体材质: 球墨铸铁、铸钢、不锈钢 制造标准: 国标GB、德国DIN、美国API、ANSI
    适用介质: 水、油、液体等 生产厂家: 上海旺财28有限公司

    产品说明

    ZLF自力式控制阀是一种利用介质本身的压力变化来进行自我调控,从而保持流经该被控系统流量不变的阀门,ZLF自立式平衡阀具有流量指示,可在线调节,适用于供热及空调系统等非腐蚀性介质的流量控制。运行前一次性测试调节,可使系统流量自动恒定在预先设置的设定值。ZLF自力式控制阀流量调节准确,操作简单,运作平稳,性能可靠,使用寿命长。

    产品特点

    1、可按设计要求或实际要求设定流量,自动消除系统的压差波动,保持流量不变。
    2、克服系统冷热不均现象,提高供冷水(热水)的质量。
    3、彻底解决近端压差大,远差压差的矛盾。
    4、减少系统循环水量,减低系统阻力。
    5、减少设计工作量,不需对管道进行繁琐的水力平衡计算,管网设计简单,维修方便,节约造价。
    6、采用先进的技术膜片,理论误差为零,且可承受0.8的压差,整圈流量显示均为测试值。

    零部件材料

    零件名称 材料
    阀体、阀盖 灰铸铁、球铁、铸钢、不锈钢
    阀杆 不锈钢
    阀瓣 铸铜
    膜片 丁腈橡胶

    性能规范

    型号 ZLF-16
    公称压力 1.6 MPa
    壳体试验压力 2.4MPa
    使用介质 水、油等非腐蚀性液体
    介质温度 0-80℃

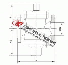
    外形结构图

    主要外形尺寸

    产品型号 公称通径 (mm) L H1 H2 流量控制范围 m3/h
    ZLF-16 15 110 122 70 0.1~1
    ZLF-16 20 110 122 70 0.1~1.5
    ZLF-16 25 115 137 74 0.2~2
    ZLF-16 32 160 182 91 0.5~4
    ZLF-16 40 200 191 147 1~6
    ZLF-16 50 215 197 147 2~10
    ZLF-16 65 230 205 154 3~15
    ZLF-16 80 275 259 181 5~25
    ZLF-16 100 290 268 211 10~35
    ZLF-16 125 315 334 227 15~50
    ZLF-16 150 350 357 260 30~80
    ZLF-16 200 430 407 303 40~180
    ZLF-16 250 520 452 367 100~300
    ZLF-16 300 635 486 430 150~500
    ZLF-16 350 670 555 495 200~700

    安装示意图


    声明:【ZLF自力式控制阀】规格型号、结构尺寸由上海旺财28有限公司提供,如何选择适用的ZLF自力式控制阀产品,使之在工艺控制中安全可靠、经济适用,可致电我司销售部门及技术部门,我们将在最短的时间内为您解答!

    上一篇:没有了 下一篇:ZL47F自力式流量控制阀

    ?

    Copyright ?2011-2023 上海旺财28有限公司,版权所有。 沪ICP备11046016号-29 网站地图

    销售电话:021-31001158

    手机号码:13816746668 陈国辉/经理

    电子邮件:klkvalves@126.com@126.com

    主营产品:球阀,闸阀,蝶阀,截止阀,止回阀,调节阀

    本周热门:不锈钢阻火器全天候呼吸阀气动球阀气动蝶阀气动刀闸阀气动调节阀电动球阀电动蝶阀电动刀闸阀电动调节阀不锈钢球阀不锈钢闸阀不锈钢截止阀不锈钢止回阀不锈钢电磁阀高压电磁阀高压球阀波纹管截止阀

    官方网址:www.fm058.com