?
首页
公司介绍
新闻中心
组织机构
服务理念
售后服务
联系我们
产品中心
jtgk.png

产品中心

LPG-蒸汽U型过滤器

您的位置:阀门 - 过滤器 - LPG-蒸汽U型过滤器 更新时间:2025-07-09 08:07:08
LPG-蒸汽U型过滤器
    • 质量安全:压力、材质、密封等全方位检测确保质量过关!
    • 价格比较:在相同品质的情况下,厂里直销,更具有优势!
    • 交货快捷:常规产品现货供应,生产加工销售一条龙服务!
      上海旺财28致力于高品质阀门的设计、研发、生产销售服务于一体的大型阀门企业,科技创新,永不止步,与您携手共创辉煌...

    • 产品描述
    • 在线询价
    • 技术咨询
    LPG-蒸汽U型过滤器LPG-蒸汽U型过滤器

    LPG-蒸汽U型过滤器属于管道过滤器系列,安装在管道上能除去流体中的较大固体杂质,使机器设备、仪表能正常工作和运转,达到稳定工艺过程,保障安全生产的作用。蒸汽U型过滤器适用于化工、食品、饮料、水处理行业进行粗精过滤大道绿色产品标准。我公司所生产的蒸汽U型过滤器能根据客户具体要求定制各种过滤器。

    产品名称: 蒸汽U型过滤器 产品型号: LPG
    公称通径: DN15~DN200 结构形式: U型
    工作压力: 1.6MPa~2.5MPa 连接方式: 法兰
    适用温度: -29ºC~+350ºC 功能作用: 过滤管道中的杂质
    阀体材质: 铸钢、不锈钢 制造标准: 国标GB、德国DIN、美国API、ANSI
    适用介质: 水、油品、蒸汽、液体、气体等 生产厂家: 上海旺财28有限公司

    产品说明

    LPG-蒸汽U型过滤器属于管道过滤器系列,安装在管道上能除去流体中的较大固体杂质,使机器设备、仪表能正常工作和运转,达到稳定工艺过程,保障安全生产的作用。蒸汽U型过滤器适用于化工、食品、饮料、水处理行业进行粗精过滤大道绿色产品标准。我公司所生产的蒸汽U型过滤器能根据客户具体要求定制各种过滤器。

    主要特点

    蒸汽U型过滤器整体式阀体设计、可更换的过滤内件、多种过滤结构设计、滤网精度18~500目可选、常规30目设计、双排放接口、标准法兰连接。广泛用于蒸汽、空气、水、油品等系统管道中,保护各种计量仪器、泵机、阀门、蔬水器等设备。压力损失小,流通面积大,抗污性强,排污方便,排污方便。

    性能规范

    公称压力PN(MPa) 工作温度℃ 滤网目数 适用介质
    1.6 350 20~150 蒸汽、空气、水、油、
    2.5 350

    零部件材料

    零件名称 材料
    阀体 碳钢、不锈钢
    滤网盖 碳钢、不锈钢
    滤芯网 不锈钢
    垫片 柔性石墨

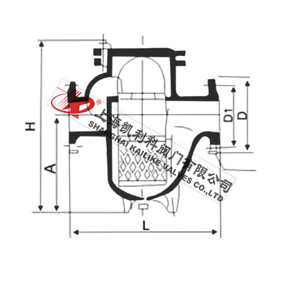
    外形结构图

     

    主要外形尺寸

    DN L A H D D1 N-n 一般网目数 特殊网目数 工作压力
    MPa
    JB78-59
    JB79-59
    GB2555-81
    10 150 80 125 90 90 60 4~14 3.9/mm
    (100目)
    2.4/mm
    60目
    1.6
    15 150 80 125 95 95 65
    20 180 100 153 105 105 75 2.4/mm
    60目
    1.6/mm
    40目
    25 180 100 153 115 115 85
    40 300 155 304 145 150 110 4~18
    50 300 155 304 160 165 125
    65 340 220 380 180 185 145
    80 400 250 420 195 200 160 8~18 1.6/mm
    40目
    0.8/mm
    20目
    100 500 295 502 215 220 180
    150 600 335 650 280 285 240 8~23
    200 786 395 770 335 340 295 12~23
    10 165 77 127 100 100 70 4~14 3.9/mm
    100目
    2.4/mm
    60目
    6.4
    15 165 79 131 105 105 75
    20 200 91 154 125 130 90 4~18 2.4/mm
    60目
    1.6/mm
    40目
    25 210 96 159 135 140 100
    40 320 155 308 165 170 125 4~23
    8~23
    50 320 155 310 175 180 135 6.4
    4.0
    80 420 250 430 210 215 170 1.6/mm
    40目
    0.8/mm
    20目
    100 525 295 510 250 250 200 8~25
    150 600 335 650 300 300 250 8~26 2.5
    200 786 395 780 360 360 310 12~26

    声明:【LPG-蒸汽U型过滤器】规格型号、结构尺寸由上海旺财28有限公司提供,如何选择适用的LPG-蒸汽U型过滤器产品,使之在工艺控制中安全可靠、经济适用,可致电我司销售部门及技术部门,我们将在最短的时间内为您解答!

    ?

    Copyright ?2011-2023 上海旺财28有限公司,版权所有。 沪ICP备11046016号-29 网站地图

    销售电话:021-31001158

    手机号码:13816746668 陈国辉/经理

    电子邮件:klkvalves@126.com@126.com

    主营产品:球阀,闸阀,蝶阀,截止阀,止回阀,调节阀

    本周热门:不锈钢阻火器全天候呼吸阀气动球阀气动蝶阀气动刀闸阀气动调节阀电动球阀电动蝶阀电动刀闸阀电动调节阀不锈钢球阀不锈钢闸阀不锈钢截止阀不锈钢止回阀不锈钢电磁阀高压电磁阀高压球阀波纹管截止阀

    官方网址:www.fm058.com